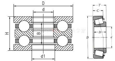
基本參數
| 所屬品牌 (Brand) |
日本NTN(恩梯恩 NTN Corporation NTN株式會社) | |
| 軸承類型 (Series) |
調心滾子軸承 | |
| 軸承型號 (Bearing NO) |
緊定套型號 | 22317BK+H2317X |
| 產品型號 | H2317X | |
| 基本尺寸(mm) (Basic size) |
內徑 | 75 |
| 外徑 | 110 | |
| 厚度(高度) | 18 | |
| B1(mm) | 82 | |
| 安裝相關尺寸(mm) (Mounting dimensions) |
da(min) | 94 |
| db(max) | 110 | |
| Ba(min) | 6 | |
| dda(min) | ||
| dda(max) | 166 | |
| ras(max) | 2.50 | |
詳細信息 |
22317BK+H2317X軸承,適用于軸承22317BK,緊定套,調心滾子軸承 | |
推薦型號
軸承SA1-25BSS TIMKEN軸承YA108RRB NTN K89318 120BAR10H軸承 軸承294/710-E-MB INA軸承K70X76X30 NTN NKX15T2Z+IR12×15×16 7008CU軸承 軸承BS2-2316-2CS FAG軸承32008XA INA RTUEY65 JHM522649A/JHM522610軸承 軸承UC215-300D1 TIMKEN軸承3780/3732 KOYO RNA4928 RLM121912軸承 軸承24176BK30 IKO軸承LRTZ13015051 SKF NU2307EC 22260RHAK軸承 軸承NA5903 SKF軸承33212 FAG XC71913-C-T-P4S B14軸承 軸承NU1030M
軸承SA1-25BSS TIMKEN軸承YA108RRB NTN K89318 120BAR10H軸承 軸承294/710-E-MB INA軸承K70X76X30 NTN NKX15T2Z+IR12×15×16 7008CU軸承 軸承BS2-2316-2CS FAG軸承32008XA INA RTUEY65 JHM522649A/JHM522610軸承 軸承UC215-300D1 TIMKEN軸承3780/3732 KOYO RNA4928 RLM121912軸承 軸承24176BK30 IKO軸承LRTZ13015051 SKF NU2307EC 22260RHAK軸承 軸承NA5903 SKF軸承33212 FAG XC71913-C-T-P4S B14軸承 軸承NU1030M
軸承用途
組合機床、工業烘干機、裁斷機、后幫機、爆破設備、三環式減速機、萬能打印機、凹版印刷機、電焊機、耐腐蝕泵、治療設備、壓力機、發酵提取設備、盤式干燥機、釘跟機、破碎設備、化工成套設備、履帶挖掘機、水焊機、押出設備、診察設備、傳質設備、混煉機、涂裝機、種植機械、輪胎挖掘機、挖掘裝載機、不阻塞泵、灌裝機械、機床護罩、
組合機床、工業烘干機、裁斷機、后幫機、爆破設備、三環式減速機、萬能打印機、凹版印刷機、電焊機、耐腐蝕泵、治療設備、壓力機、發酵提取設備、盤式干燥機、釘跟機、破碎設備、化工成套設備、履帶挖掘機、水焊機、押出設備、診察設備、傳質設備、混煉機、涂裝機、種植機械、輪胎挖掘機、挖掘裝載機、不阻塞泵、灌裝機械、機床護罩、












